Определяне на статичната товароносимост на танкетата


C>=P*fs
Co - статична товароносимост, N
P - натоварване върху танкетата, кг.
fs - коефициент на сигарност - табл. 1

Co>=* >= N

Определяне номиналния живот на танкетата (изминатия път)


L=(C/( fw*P))^3*50,km
L – номинален живот, км
C – динамична товароносимост, kN
fw – коеф.на натоварването - табл. 2
P – натоварване върху танкетата, кг.

L=(/ (* ))^3*50=км

Определяне на времето за експлоатация


Lh=L*10^6/(2*l*n*60) ,h
Lh – време за експлоатация, h
L – номинален живот, км
l – дължина на хода, мм
n – честота на циклите, min-1

Lh=*10^6/ (2** *60)= h
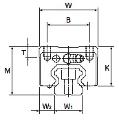
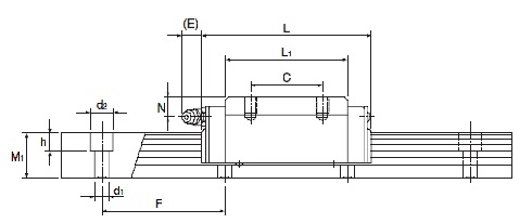
Модел номер Външниразмери Размери на танкетата Размери на направляващата Базово натоварване Максимални статични моменти Тегло
Височина M Ширина W Дължина L B C S H L1 T T1 K N E Щуцер за гресиране Ширина W1 0 -0.05 W2 Височина M1 Стъпка F d1xd2xh C kN Co kN Ma Mb Mc Танкета кг. Направляваща кг./м
HSR15C244756.63830M54.438.871119.34.35.5PB1021B1516.515604.5 x 7.5 x 5.38.33013.5000.08050.08050.08440.21.5
HSR20C3063745340M65.450.810926512B-M6F2021.518606 x 9.5 x 8.513.8023.8000.190.190.2010.352.3
HSR25C367083.15745M86.859.5111630.5612B-M6F2323.522607 x 11 x 919.9034.4000.3070.3070.3440.593.3
HSR30C4290987252M108.570.491835712B-M6F283126809 x 14 x 1228.0046.8000.5240.5240.5621.14.8
HSR35C48100109.48262M108.580.4122140.5812B-M6F3433.529809 x 14 x 1237.3061.1000.7820.7820.9051.66.6
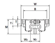
Модел номер Външниразмери Размери на танкетата Размери на направляващата Базово натоварване Максимални статични моменти Тегло
Височина M Ширина W Дължина L B C S L1 T K N E Щуцер за гресиране Ширина W1 0 -0.05 W2 Височина M1 Стъпка F d1xd2xh C kN Co kN Ma Mb Mc Танкета кг. Направляваща кг./м
HSR15R283456.62626M4x538.86.623.38.35.5PB1021B159.515604.5 x 7.5 x 5.38.33013.5000.08050.08050.08440.181.5
HSR20R3044743236M5x650.8826512B-M6F201218606 x 9.5 x 8.513.8023.8000.190.190.2010.252.3
HSR25R404883.13535M6x859.59.634.51012B-M6F2312.522607 x 11 x 919.9034.4000.3070.3070.3440.543.3
HSR30R4560984040M8x1070.49381012B-M6F281626809 x 14 x 1228.0046.8000.5240.5240.5620.94.8
HSR35R5570109.45050M8x1280.411.747.51512B-M6F341829809 x 14 x 1237.3061.1000.7820.7820.9051.56.6